|
Київ
Пирогівський шлях, 34
(095) 292-00-88 (067) 640-64-49 kyiv@metiz.net
|
Харків
О.Орлова, 20
(067) 320-85-26 (050) 348-36-66 kharkiv@metiz.net
|
Одеса
Дальницька, 39
(067) 524-04-14
odesa@metiz.net
|
Житомир
Комерційна, 13-А
(067) 320-86-36 zhytomyr@metiz.net
|
DIN 582 Рым-гайка (гайка с проушиной)
|
|
|||||||||||||||||||||||||||||||||||||||||||||||||||||||||||||||||
DIN 582
|
|||||||||||||||||||||||||||||||||||||||||||||||||||||||||||||||||
|
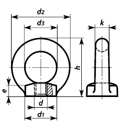
________________________________________________________________РАЗМЕРЫ В МИЛЛИМЕТРАХ
Основное назначение – закрепление цепей и канатов с помощью резьбового соединения. Размер рым-гайки определяется по резьбовой части.
• Материал: сталь.
• Покрытие: оцинкованная. |
___________ВНЕШНИЙ ВИД
|
_________________ЧЕРТЕЖ
![]() |
|||||||||||||||||||||||||||||||||||||||||||||||||||||||||||||||
![]() |
|||||||||||||||||||||||||||||||||||||||||||||||||||||||||||||||||






Последние комментарии
1 год 29 недель назад
3 года 17 недель назад
4 года 12 недель назад
4 года 12 недель назад
12 лет 21 неделя назад
12 лет 21 неделя назад
12 лет 21 неделя назад
12 лет 21 неделя назад
12 лет 21 неделя назад
12 лет 21 неделя назад