|
Київ
Пирогівський шлях, 34
(095) 292-00-88 (067) 640-64-49 kyiv@metiz.net
|
Харків
О.Орлова, 20
(067) 320-85-26 (050) 348-36-66 kharkiv@metiz.net
|
Одеса
Дальницька, 39
(067) 524-04-14
odesa@metiz.net
|
Житомир
Комерційна, 13-А
(067) 320-86-36 zhytomyr@metiz.net
|
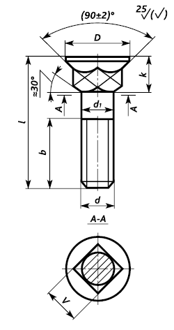
ГОСТ 7786-81 Болт с потайной головкой и квадратным подголовком класса точности С
|
|
||||||||||||||||||||||||||||||||||||||||||||||||||||||||||||||||||||||||||||||||||||||||||||||||||||||||||||||||||||||||||||||||||||||||||||||||||||||||||||||||||||||||||||||||||||||||||||||||||||||||||||||||||||||||||||||||||||||||||||||||||||||||||||||||||||||||||||||
ГОСТ 7786-81 / DIN 608
|
||||||||||||||||||||||||||||||||||||||||||||||||||||||||||||||||||||||||||||||||||||||||||||||||||||||||||||||||||||||||||||||||||||||||||||||||||||||||||||||||||||||||||||||||||||||||||||||||||||||||||||||||||||||||||||||||||||||||||||||||||||||||||||||||||||||||||||||
|
_____________________________________________________________________________________________МАССА
|
___РАЗМЕРЫ В МИЛЛИМЕТРАХ
Пример условного обозначения болта с диаметром резьбы d=12 мм, с крупным шагом резьбы с полем допуска 8g, длиной l=60 мм, класса прочности 3.6, с цинковым покрытием, толщиной 6 мкм, нанесенным способом катодного восстановления, хроматированным: Болт M12х60.36.016 ГОСТ 7786-81.
Внимание!
• Резьба – по ГОСТ 24705-2004. • Шаг резьбы – крупный. • Сбег и недорез – по ГОСТ 27148-86. • Концы болтов – по ГОСТ 12414-94. • Допуски и методы контроля размеров и отклонений формы и расположения поверхностей – <br />по ГОСТ 1759.1-82. • Дефекты поверхностей и методы контроля – по ГОСТ 1759.2-82. • Технические требования – по ГОСТ 1759.0-87. |
________ВНЕШНИЙ ВИД
_____________ЧЕРТЕЖ
![]() |
||||||||||||||||||||||||||||||||||||||||||||||||||||||||||||||||||||||||||||||||||||||||||||||||||||||||||||||||||||||||||||||||||||||||||||||||||||||||||||||||||||||||||||||||||||||||||||||||||||||||||||||||||||||||||||||||||||||||||||||||||||||||||||||||||||||||||||
![]() |
||||||||||||||||||||||||||||||||||||||||||||||||||||||||||||||||||||||||||||||||||||||||||||||||||||||||||||||||||||||||||||||||||||||||||||||||||||||||||||||||||||||||||||||||||||||||||||||||||||||||||||||||||||||||||||||||||||||||||||||||||||||||||||||||||||||||||||||






Последние комментарии
1 год 29 недель назад
3 года 17 недель назад
4 года 12 недель назад
4 года 12 недель назад
12 лет 20 недель назад
12 лет 20 недель назад
12 лет 20 недель назад
12 лет 20 недель назад
12 лет 21 неделя назад
12 лет 21 неделя назад