|
Київ
Пирогівський шлях, 34
(095) 292-00-88 (067) 640-64-49 kyiv@metiz.net
|
Харків
О.Орлова, 20
(067) 320-85-26 (050) 348-36-66 kharkiv@metiz.net
|
Одеса
Дальницька, 39
(067) 524-04-14
odesa@metiz.net
|
Житомир
Комерційна, 13-А
(067) 320-86-36 zhytomyr@metiz.net
|
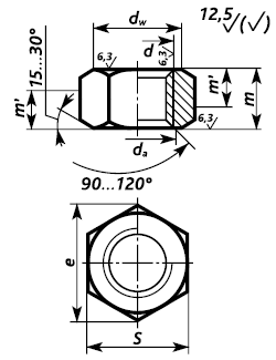
ГОСТ Р 52645-2006 Гайка высокопрочная шестигранная с увеличенным размером под ключ для металлических конструкций
|
|
|||||||||||||||||||||||||||||||||||||||||||||||||||||||||||||||||||||||||||||||||||||||||||||||||||||||||||||||||||||||||||||||||||||||||||||||||||||||||||||||||||||||||||||||||||||||||||||||||||||||||||||||||||||||||||||||||||||||||||||||||||||||||||||||||||||||||||||||||||||||||||||||||||||||||||||||||||||||||||||
ГОСТ Р 52645-2006
|
|||||||||||||||||||||||||||||||||||||||||||||||||||||||||||||||||||||||||||||||||||||||||||||||||||||||||||||||||||||||||||||||||||||||||||||||||||||||||||||||||||||||||||||||||||||||||||||||||||||||||||||||||||||||||||||||||||||||||||||||||||||||||||||||||||||||||||||||||||||||||||||||||||||||||||||||||||||||||||||
|
______________________________________________________________РАЗМЕРЫ В МИЛЛИМЕТРАХ
*Допускается применение гаек уменьшенной высоты при соответствующем обосновании. Размеры гаек уменьшенной высоты приведены в приложении А.
________________________________________________________________________ПРИЛОЖЕНИЕ А
Внимание!
• Размеры гаек, заключенные в скобки, применять не рекомендуется. • Для оцинкованных гаек размеры действительны до оцинковки.
|
___________________________________МАССА
Пример условного обозначения гайки с резьбой диаметром d=24 мм, класса прочности 10 без покрытия: Гайка М24.10 ГОСТ Р 52645-2006.
То же, с резьбой диаметром d=20 мм, класса прочности 9 с термодиффузионным цинковым покрытием (ТД) по ГОСТ Р 9.316 толщиной 10 мкм: Гайка М20.9 ТД10 ГОСТ Р 52645-2006. То же, с резьбой диаметром d=22 мм, класса прочности 10 с неметаллическим химическим фосфатным покрытием по ГОСТ 9.306 толщиной 5 мкм: Гайка М22 хим. фос. 5 ГОСТ Р 52645-2006. Пример условного обозначения гайки конструктивного исполнения 2 уменьшенной высоты с резьбой диаметром d=24 мм, класса прочности 10 без покрытия: Гайка 2-М24.10 ГОСТ Р 52645-2006. |
________ВНЕШНИЙ ВИД
_____________ЧЕРТЕЖ
![]() |
|||||||||||||||||||||||||||||||||||||||||||||||||||||||||||||||||||||||||||||||||||||||||||||||||||||||||||||||||||||||||||||||||||||||||||||||||||||||||||||||||||||||||||||||||||||||||||||||||||||||||||||||||||||||||||||||||||||||||||||||||||||||||||||||||||||||||||||||||||||||||||||||||||||||||||||||||||||||||||
![]() |
|||||||||||||||||||||||||||||||||||||||||||||||||||||||||||||||||||||||||||||||||||||||||||||||||||||||||||||||||||||||||||||||||||||||||||||||||||||||||||||||||||||||||||||||||||||||||||||||||||||||||||||||||||||||||||||||||||||||||||||||||||||||||||||||||||||||||||||||||||||||||||||||||||||||||||||||||||||||||||||






Последние комментарии
1 год 28 недель назад
3 года 15 недель назад
4 года 10 недель назад
4 года 10 недель назад
12 лет 19 недель назад
12 лет 19 недель назад
12 лет 19 недель назад
12 лет 19 недель назад
12 лет 20 недель назад
12 лет 20 недель назад