|
Київ
Пирогівський шлях, 34
(095) 292-00-88 (067) 640-64-49 kyiv@metiz.net
|
Харків
О.Орлова, 20
(067) 320-85-26 (050) 348-36-66 kharkiv@metiz.net
|
Одеса
Дальницька, 39
(067) 524-04-14
odesa@metiz.net
|
Житомир
Комерційна, 13-А
(067) 320-86-36 zhytomyr@metiz.net
|
Саморез по металлу до 2,0 мм
|
|
||||||||||||||||||||||||||||||||||||||||||
Саморез по металлу до 2,0 ммPan framing head self drilling screw |
||||||||||||||||||||||||||||||||||||||||||
|
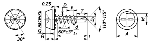
_______________________________________РАЗМЕРЫ В МИЛЛИМЕТРАХ
• Головка: полуциллиндрическая с насечками для самоторможения, шлиц Philips №2, M=4,5-5,1.
• Резьба: полная. • Наконечник: сверло, фосфатированный. • Материал: сталь C1022. • Длина резьбы Lt: полная. • Минимальный разрушающий момент: 3,5 Hм. • Твердость сердцевины: 240-425 HV. • Твердость поверхности: 550 MIN HV. |
______________________________________ЧЕРТЕЖ
![]() |
__________________ВНЕШНИЙ ВИД
|
||||||||||||||||||||||||||||||||||||||||
![]() |
||||||||||||||||||||||||||||||||||||||||||






Последние комментарии
1 год 28 недель назад
3 года 15 недель назад
4 года 10 недель назад
4 года 10 недель назад
12 лет 19 недель назад
12 лет 19 недель назад
12 лет 19 недель назад
12 лет 19 недель назад
12 лет 20 недель назад
12 лет 20 недель назад